制動器廠家解答:抱閘制動器的2根線接在哪
日期:2020-03-30 點擊:2362次
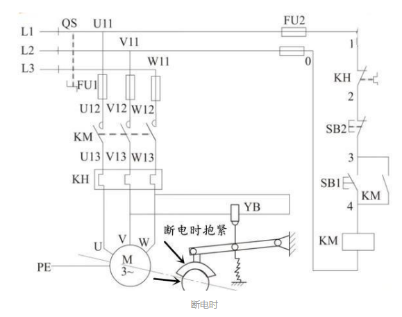
今天制動器廠家來聊一下電磁抱閘制動控制。電磁抱閘在重型起重機械中應用的比較廣泛,打個比方:當一個起重機吊一個重物時,如果電機突然斷電,這時候半空中的重物就有可能帶動電機直接反轉而快速落下,重物急速墜落非常危險,所以需要增加抱閘制動消除這種隱患
電磁抱閘大體分為兩部分:制動電磁鐵和閘瓦制動器,制動電磁鐵又分為三部分:線圈、銜鐵、鐵芯,閘瓦制動器也分為三部分:閘輪、閘瓦、彈簧,閘輪裝在電機的轉軸上。
工作原理:電機通電時,電磁抱閘線圈也得電,在電磁吸力的作用下銜鐵吸合,閘輪和閘瓦分開,電機正常運行。電機斷電時,電磁抱閘線圈也失電,銜鐵在彈簧的拉力作用下與鐵芯分開,閘瓦緊緊抱住閘輪,電機迅速停止轉動。

如圖所示:電機通電時,閘瓦與閘輪分開,電機正常工作

如圖所示:斷電時,閘瓦與閘輪抱緊,電機被制動,迅速停轉
從上圖也可以看出,抱閘制動的控制電路其實就是自鎖電路,三相電機的UVW接三條火線,而電磁抱閘制動器的線圈只取了2條火線,和電機的工作狀態是同步的。制動器廠家告訴大家:除了常見的自鎖控制外,還有一種控制電路也比較常見。
上一篇:寒冷冬季,液壓制動器該如何*操作
